Máme nový web!
Ještě nemáte účet?Pro registraci nás kontaktujte.
nastavit nové heslo
Novinka
NOVÁ GENERACE MINISALT
Nejste ještě naším obchodním partnerem? Kontaktujte nás, domluvíme se na spolupráci
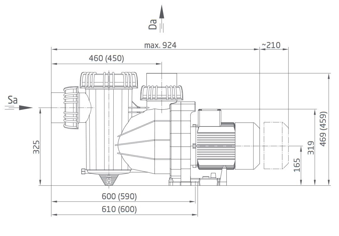
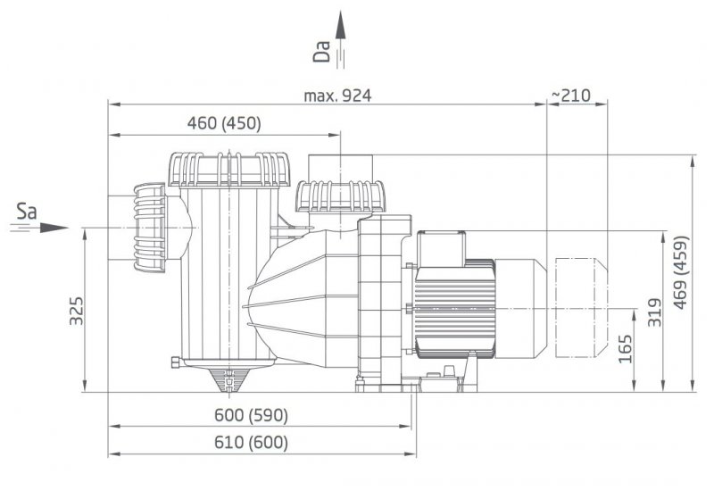
Kód produktu:2195308037
Pomůžeme vám s každou objednávkou
Souhlas se zpracováním dat
Pro co nejpohodlnější používání webu potřebujeme váš souhlas se zpracováním dat. Souhlas udělíte kliknutím na tlačítko "Povolit vše".
Nastavení dat
Upravte si zpracování dle vlastních preferencí
Souhlas můžete odmítnout