NOVÁ GENERACE MINISALT
Nejste ještě naším obchodním partnerem? Kontaktujte nás, domluvíme se na spolupráci
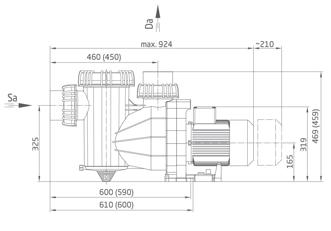
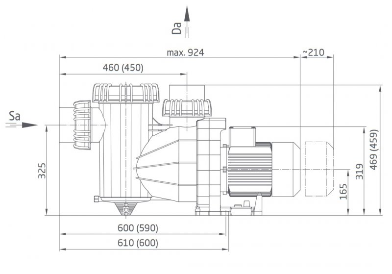
Kód produktu:2195.600.137
Pomůžeme vám s každou objednávkou