Máme nový web!

E-mail pooltechnika@pooltechnika.cz Telefon 530 508 380 Přihlásit se

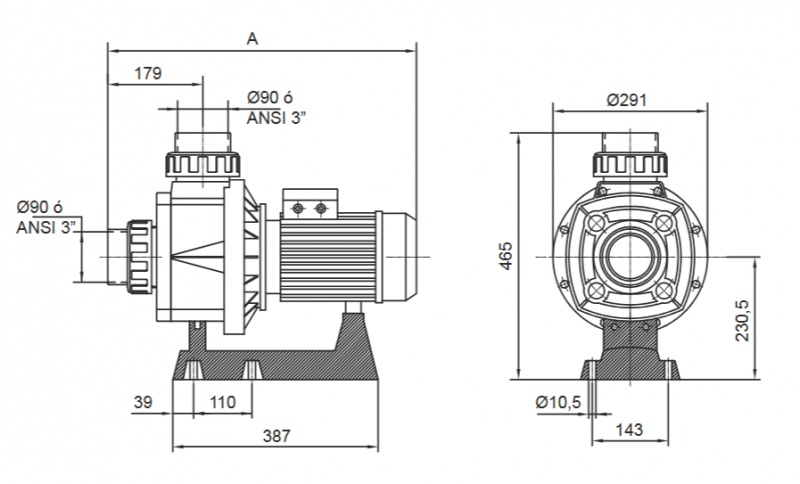
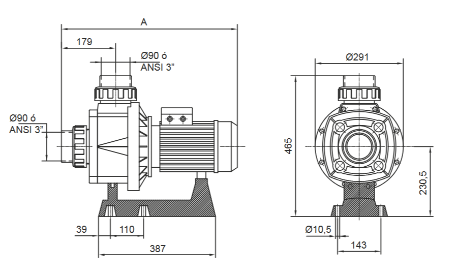
Čerpadlo protiproudu Karpa KA300, 56m3/h 400V (při 4m v.v. 64m3/h)

Tělo čerpadla z polypropylenu  30% skelného vlákna, hřídel motoru s dvojitou izolací, elektrické krytí IP 55.
Připojení čepadla d90.

Kód produktu:400470

Jsme velkoobchod, pro maloobchod neprodáváme.
V případě zájmu o to stát se našim B2B partnerem, nás kontaktujte.
Děkujeme za pochopení.
Pro zobrazení ceny a dostupnosti se přihlaste

Kontaktujte přímo svého obchodního zástupce

Pomůžeme vám s každou objednávkou

Zobrazit všechny kontakty
Pooltechnika B2B Nainstalujte si naši aplikaci pro ještě lepší zážitek

Přidat aplikaci na plochu

Nainstalujte si aplikaci rychle a jednoduše:

  1. Klepněte na tlačítko Sdílet v dolní liště Safari
  2. Přejděte dolů a klepněte na „Přidat na plochu"
  3. Klepněte „Přidat" v pravém horním rohu