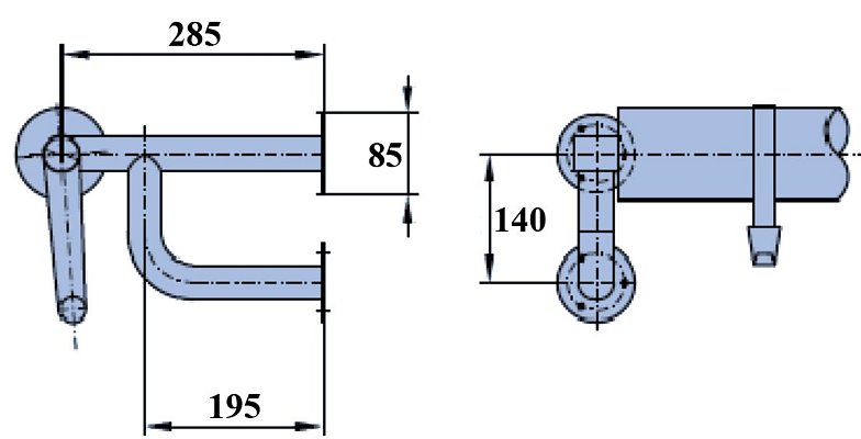
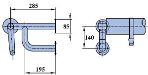
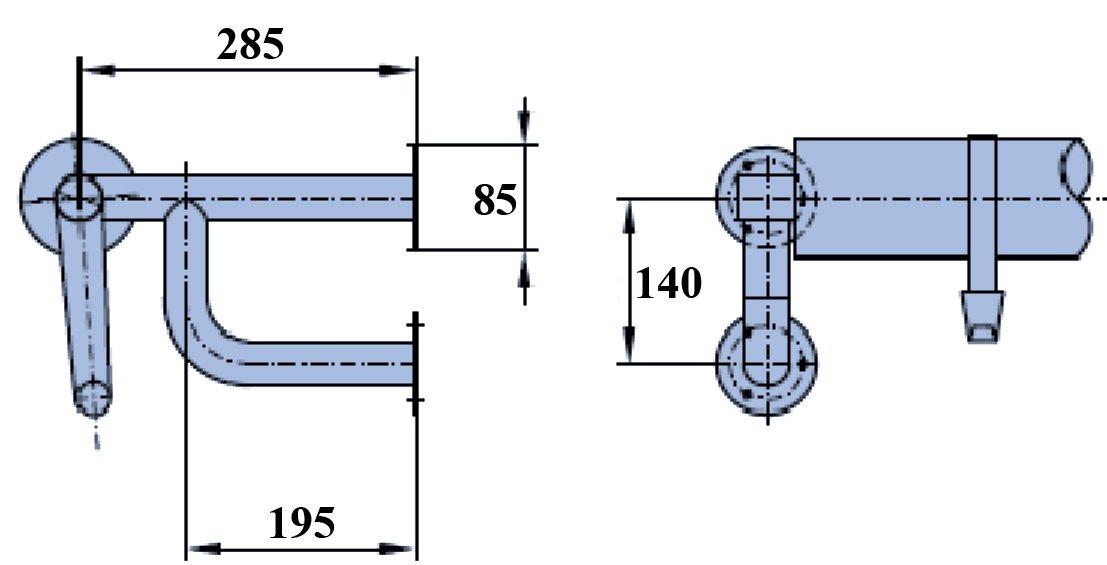
Naviják na solární plachtu použijeme tam, kde je bazén umístěn blízko stěn. Stojany jsou zkonstruovány tak, aby mohlo být navíjecí zařízení umístěno přímo na zeď u bazénu.
Výhodou pevného připojení je snadná manipulace s navíjecím zařízením při navíjení a roztažení solární fólie.
Pro kompletní navíjecí zařízení je nutné dokoupit teleskopickou tyč.
