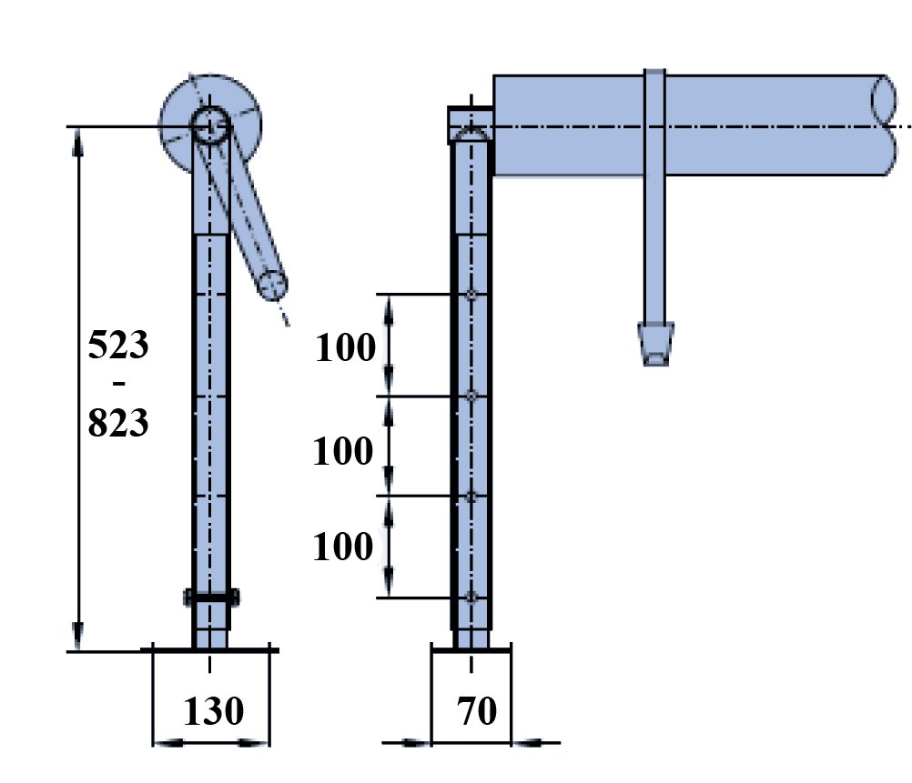
Výhodou výškově nastavitelné navijáku je snadná manipulace při navíjení a roztažení solární fólie. Naviják na solární plachtu se pomocí hmoždinek napevno instaluje u bazénu.
Navíjecí zařízení je vyrobeno z nerezové oceli AISI-304
Pro kompletní navíjecí zařízení je nutné dokoupit teleskopickou tyč.
